D363H/W Butt-welded Hard Seal Butterfly Valve
Product overview
Product model: D363H/W
Nominal menstrual passage: DN100 ~ 1000mm, NPS4" ~ 48"
Nominal pressure: strength test (1.5× Pn) Seal test (1.1× Pn)
Applicable temperature: carbon steel: -29℃ ~ 425℃, stainless steel: -40℃ ~ 650℃
Applicable medium: water, hot water, steam, oil
Drive mode: worm gear drive, electric, pneumatic, hydraulic
Welding standard: GB12224, ANSI B16.25, DIN2559
D363H/W Butt-welded Hard Seal Butterfly Valve Characteristic
1,
the use of three eccentric butterfly valve can be called the top
process valve, the design of the valve for high temperature, high
pressure, fire-resistant foam sealing ideal sealing valve.
2, due to the use of welding structure, so that the valve and the pipeline plane to achieve a permanent zero leakage.
3, the valve can not be flanged, bringing great convenience and beautiful appearance to the pipe and insulation bandaging.
D363H/W Butt-welded Hard Seal Butterfly Valve main technical parameters
| Nominal diameter DN (mm) | DN (100 ~ 400) mm, in4 ~ 48 |
| Nominal pressure PN (MPa) | Strength test (1.5 × PN) Seal test (1.1 × PN) |
| proper temperature | Carbon steel: -29 ℃ ~ 425 ℃, stainless steel: -40 ℃ ~ 650 ℃ |
| Suitable media | Water, steam, hot water, oil |
| Drive mode | Worm gear, electric, pneumatic, hydraulic |
| Pressure Level | ANSI 150Lb / PN25 |
| Welding standards | GB12224, ANSI B16,25, DIN2559 |
D363H/W Butt-welded Hard Seal Butterfly Valve main components of the material
| Part Name | material |
| Body | Carbon steel, stainless steel, chrome-aluminum steel |
| Butterfly plate | Carbon steel, alloy steel, stainless steel |
| Seat | 3 stainless steel, cobalt-based cemented carbide |
| Sleeve | stainless steel |
| Valve stem | Stainless steel, special materials |
| Filler | Flexible graphite |
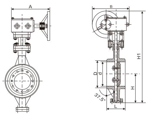
D363H / 663H / D363H/W Butt-welded Hard Seal Butterfly Valve connection size

|
Nominal diameter |
Main dimensions | Nominal diameter | Main dimensions | ||||||
| in | DN (mm) | L | H1 | H | in | DN (mm) | L | H1 | H |
| 4 | 100 | 190 | 270 | 370 | 18 | 450 | 330 | 535 | 820 |
| 5 | 125 | 200 | 295 | 390 | 20 | 500 | 350 | 560 | 900 |
| 6 | 150 | 210 | 308 | 416 | 24 | 600 | 390 | 630 | 980 |
| 8 | 200 | 230 | 370 | 530 | 28 | 700 | 430 | 670 | 1100 |
| 10 | 250 | 250 | 450 | 580 | 32 | 800 | 470 | 800 | 1300 |
| 12 | 300 | 270 | 465 | 630 | 36 | 900 | 510 | 850 | 1370 |
| 14 | 350 | 290 | 475 | 595 | 40 | 1000 | 550 | 880 | 1480 |
| 16 | 400 | 310 | 505 | 755 | 48 | 1200 | 630 | 1000 | 1690 |
Reminder:
All text, data and pictures in this article are for reference only.To see more details of the D363H/W Butt-welded Hard Seal Butterfly Valve performance parameters, structural dimension parameters, pricing, etc., or to request high quality printing samples, please Contact us.