<li id="g6waw"><table id="g6waw"></table></li>
    • <samp id="g6waw"></samp>
      
      
      • Hotline: +86-021-57278880
        Language:   
        Your current location: ProductsHydraulic Control ValveMicro Retarded Closing Check Valve

        HH44X Micro Retarded Closing Check Valve

        Product overview

        Product model: HH44X
        Nominal pressure: PN1.0 ~ 2.5MPa
        Nominal diameter: DN40 ~ 800mm
        Applicable medium: water, weak corrosive liquid
        Applicable temperature: 0 ~ 80℃ (up to 200℃ if necessary)
        Flange standard: GB/T 17241.6 GB/T 9113
        Test standard: GB/T 13927 AP1598

        HH44X Micro Retarded Closing Check Valve product details

        HH44X Micro Retarded Closing Check Valve product overview

        HH44X Micro Retarded Closing Check Valve produced and sold by Baigang valve group is used for water supply and drainage pipe, which is installed at the outlet of the water pump to prevent the countercurrent of the medium and eliminate the destructive water hammer, and effectively reduce the water hammer pressure of the valve to close to ensure the safe operation of the pipe network. The utility model has the advantages of light valve flap, large opening degree, remarkable energy saving effect, small fluid resistance, novel design of a water hammer eliminating mechanism, stable and reliable sealing performance, wear resistance, long service life, stable operation, no vibration and no noise.


        HH44X Micro Retarded Closing Check Valve main components and materials

        Part Name

        Body, bonnet

        Disc

        Valve shaft

        material

        Gray cast iron, cast steel

        Steel plate, rubber assembly

        stainless steel


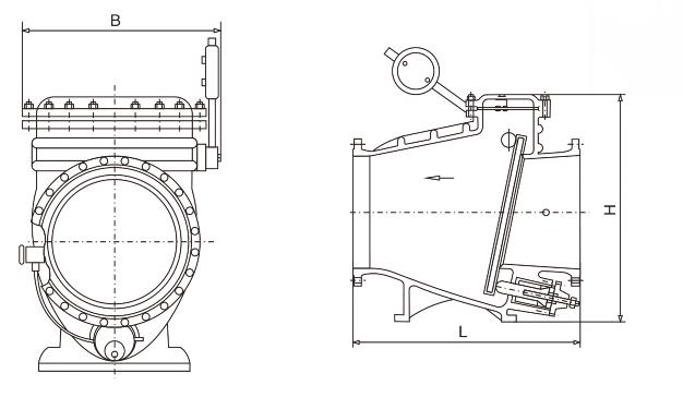
        HH44X Micro Retarded Closing Check Valve main shape connection size

        DN (mm)

        40

        50

        65

        80

        100

        125

        150

        200

        250

        300

        350

        400

        450

        500

        600

        700

        800

        H

        200

        230

        290

        310

        350

        400

        480

        500

        600

        700

        800

        900

        1000

        1100

        1300

        1400

        1500

        L

        300

        300

        320

        354

        350

        380

        500

        580

        670

        730

        820

        920

        950

        1100

        1200

        1550

        1700

        B

        220

        270

        290

        300

        320

        340

        410

        450

        550

        580

        630

        700

        800

        900

        990

        1120

        1300



        Reminder:

        All text, data and pictures in this article are for reference only.To see more details of the HH44X Micro Retarded Closing Check Valve performance parameters, structural dimension parameters, pricing, etc., or to request high quality printing samples, please Contact us.

        +86-021-57278881
        qrCode
        <li id="g6waw"><table id="g6waw"></table></li>
        • <samp id="g6waw"></samp>