F943X Electric Blind Valve
Product overview
Product model: F943X
Nominal diameter: DN400~1800mm
Nominal pressure: PN0.05~0.25MPa
Applicable temperature: ≤450℃
Applicable medium: gas and poisonous, harmful and flammable gases
Main materials: carbon steel, stainless steel, silicon rubber
Drive mode: electric, hydraulic, pneumatic, electro-hydraulic
Design standard: API 600, API6D, ASME B16.34, GB/T 12234
Structure length: ASME B16.10, API6D, GB/T 12221
Connection standard: ASME B16.5, ASME B16.47, GB/T 9113, JB/T 79, HG/T 20592
Pressure test: API 598, GB/T 13927, JB/T 9092
Pressure-temperature rating: ASME B16.34, GB/T 12224
F943X Electric Blind Valve product uses
F943X Electric Blind Valve produced and sold by Baigang valve group,This series of blind valve according to GB6222 "Industrial Enterprise Gas Safety Regulations" while digesting and absorbing the relevant domestic and foreign advanced technology, based on their own research and development of a new generation of products. Widely used in industrial and mining enterprises, environmental protection industries such as gas, toxic gas pipeline media, as a reliable cutting device.
F943X Electric Blind Valve structural characteristics
1, the valve by the valve body, fan valve plate, stainless steel bellows, electric drive, electric clamping devices and other components;
2, the valve body with three-point locking fan valve structure;
3, the sealing parts of stainless steel and rubber seals, reliable sealing performance, thereby increasing the service life of the seal, the seal is located on the valve plate, easy to replace the seal for maintenance.
4, electric operation, work smoothly, opening and closing flexible, reliable action;
5, clamping action using screw nut clamping, self-locking is good;
6, electric blind valve with stainless steel bellows, with flexibility, long service life and so on.
F943X Electric Blind Valve installation and use rights
1, the valve is installed, the bracket should be fixed valve base, the valve force in the action of the stent;
2, first start the electric clamp device to the left and right valve
body displacement so that the valve body and valve plate completely
separated, and then open the valve Board electric drive device is turned
on or off, and then restart the electric clip device, check whether the
left and right valve body is in close contact with the valve plate and
the electric drive device action limit switch is action;
F943X Electric Blind Valve product introduction
Electric blind valve, mainly by the left valve body, right valve body,
stem, gate, seals, electric putter and other components, and by the
base, the support column to form a rigid structure. Sealing parts with
stainless steel and rubber seals, good sealing performance, long service
life, set the seal on the gate, easy to replace the seal when the seal,
rubber seals set in the gate. Electric push rod blind valve can be a
single long-distance control, remote control can also be more than one
network, under normal circumstances can also use the valve itself device
manual operation.
F943X Electric Blind Valve working principle
1, the valve is opened to the valve is closed: Clamping motor action, driven screw for counterclockwise rotation, the valve body loose in place (indicator light shows), drive motor action, drive the counterclockwise rotation of the gate in place, the gate closed in place (Indicator light), clamping motor action, driven screw clockwise rotation, the valve body clamping in place (indicator shows) to complete the valve from opening to closing the whole process.
2, the valve from close to open: clamping motor action, driven screw for counterclockwise rotation, the valve body loose in place (indicator light shows), drive motor action, drive the gate for clockwise rotation, the gate opens in place, ( Indicator shows) to complete the valve from the closed to open the whole process.
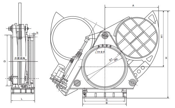
F943X Electric Blind Valve main connection size:

| DN | D | D1 | b | n-φd | L |
| 300 | 440 | 395 | 22 | 12-φ22 | 500 |
| 350 | 490 | 445 | 22 | 12-φ22 | 500 |
| 400 | 540 | 495 | 22 | 16-φ22 | 600 |
| 450 | 595 | 550 | 24 | 16-φ22 | 600 |
| 500 | 645 | 600 | 24 | 16-φ22 | 600 |
| 600 | 755 | 705 | 24 | 20-φ26 | 600 |
| 700 | 860 | 810 | 26 | 24-φ26 | 800 |
| 800 | 975 | 920 | 26 | 24-φ30 | 800 |
| 900 | 1075 | 1020 | 28 | 24-φ30 | 800 |
| 1000 | 1175 | 1120 | 30 | 28-φ30 | 800 |
| 1100 | 1275 | 1220 | 30 | 28-φ30 | 800 |
| 1200 | 1375 | 1320 | 30 | 32-φ30 | 800 |
| 1300 | 1475 | 1420 | 32 | 32-φ30 | 800 |
| 1400 | 1575 | 1520 | 32 | 36-φ30 | 850 |
| 1500 | 1675 | 1620 | 32 | 36-φ30 | 850 |
| 1600 | 1790 | 1730 | 32 | 40-φ30 | 850 |
| 1800 | 1990 | 1930 | 32 | 44-φ30 | 1100 |
| 2000 | 2190 | 2130 | 32 | 46-φ30 | 1100 |
Reminder:
All text, data and pictures in this article are for reference only.To see more details of the F943X Electric Blind Valve performance parameters, structural dimension parameters, pricing, etc., or to request high quality printing samples, please Contact us.