<li id="g6waw"><table id="g6waw"></table></li>
    • <samp id="g6waw"></samp>
      
      
      • Hotline: +86-021-57278880
        Language:   
        Your current location: ProductsBall ValveFixed Worm Wheel Welded Ball Valve

        Q367F Fixed Worm Wheel Welded Ball Valve

        Product overview

        Product model: Q367F
        Nominal diameter: DN50~1200mm, NPS2"~48"
        Nominal pressure: PN1.6~ 4.2MPa, Class150~2500LB
        Applicable temperature: -29℃ ~ 150℃
        Drive mode: electric, manual, worm wheel drive, gear drive, etc
        Design and manufacturing standard: GB/T 12237-2007
        Structure length standard: GB/T 12221-2005
        Standard for socket welding: GB12224, ANSIB16.25
        Pressure and temperature grade: GB/T 12224-2005
        Test inspection standard: GB/T 13927-2008

        Q367F Fixed Worm Wheel Welded Ball Valve product details

        Q367F Fixed Worm Wheel Welded Ball Valve product features:

        1, The fire structure design: 
        According to API607 / BS6755 norms, the use of fire in the valve site, the secondary seal made of non-metallic materials in the ring decomposition or destruction under high temperature, then the primary metal seal can quickly close the ball Play a seal. Unique double-stage sealing seat structure design to ensure the reliability of the valve seat fire. 
         
        2, Anti-static design:

        The use of spring and ball electrostatic leads to the device through the valve stem to form an electrostatic channel between the ball, so that the ball and the ring in the process of friction generated by static electricity lead to the earth through the valve body to prevent Electrostatic sparks may cause a fire or explosion hazard. 
         
        3, The sealed emergency ambulance and valve lubrication 
        Valve seat and stem seals appear damaged, there can be leakage through the injection valve sealing grease to achieve the role of instantaneous seal. The valve under normal working conditions, you can inject grease through the grease injection valve stem and spherical lubrication, the valve opening and closing more flexible and lightweight. 
         
        4, Seat structure design: 
        A. Both the upstream and downstream single piston seat: 
        with double blocking / double discharge function, can simultaneously cut off from the upstream and downstream media; with automatic pressure relief function: valve cavity retention media due to temperature Of the increase in the case of abnormal pressure booster, the valve seat can automatically pressure relief (discharge to the low pressure end). 
         
        B. Double piston seats are used both upstream and downstream: 
        With double blocking function, it can cut off the medium from the upstream and downstream simultaneously. The medium in the valve cavity of the valve can not be automatically discharged, and a relief valve needs to be set on the valve body to set the pressure Relieve abnormal pressure rise in the valve chamber. 
         
        C. Upstream with single-piston valve seat, downstream with dual-piston valve seat: 
        With double blocking function, which can cut off the medium from the upstream and downstream simultaneously; with automatic directional pressure relief function: valve medium stagnant medium due to temperature rise, In the event of an abnormal pressure boost, the valve seat can automatically relieve pressure (to the upstream side) 
         
        5, Installation of drive installation platform
        ISO5211 valve flange design, through the use of brackets and coupling sleeve, easy to install any type of drive. 
         
        6, lengthened stem: 
        For the installation of the valve buried, according to the needs of installation and operation of the valve stem can be lengthened, lengthen the stem size according to customer requirements. All sewage pipes, exhaust pipes and emergency grease devices are lengthened accordingly, other related pipeline close to the extended parts of the valve, the valve drain valve, vent valve and grease valve connected to the ground installation in order to carry out regular maintenance of the main valve, Valve surface covered with normative corrosion-resistant asphalt, polyurethane or epoxy coating, in order to adapt to the installation and use of buried conditions. 
         
        7, Lengthen the valve cover: 
        For the valve which requires to work at low temperature, it increases the distance between the valve body and the sealing area of the valve stem by lengthening the valve cover to avoid the influence of temperature on the seal. The lengthened height can also be determined according to the standard rules According to the customer's request. 
         
        8, The valve structure: 
        Valves with three body side forging welding structure, eliminating the import pressure to promote the ball seal seat formed a huge sealing load caused by excessive torque. The spherical surface finish of the sphere and the use of inserts with good self-lubricating inserts allow for smaller opening and closing torques even at the highest operating pressures. 
         
        9, The structural characteristics of welding: the 
        Body around the body with a typical narrow gap submerged arc welding using a special flux used in welding with the required current-carrying and slag removal effect, the welding particle size smaller, High toughness to meet the welding performance of the metal. Welding 100% ultrasonic testing and hardness testing to ensure the welding quality of the weld. 
         
        10, Finite element analysis: 
        The valve housing and the inner parts are carefully designed to ensure reliable operation under various operating conditions. The strength of the valve housing, the inner force of the inner part and the operating torque of the valve stem are measured by finite element analysis Simulation analysis of conditions, for easy problems and weaknesses to optimize, to ensure superior valve performance. 


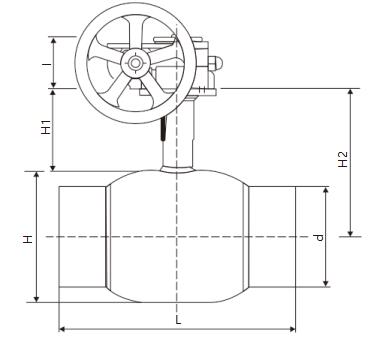
        Q367F Fixed Worm Wheel Welded Ball Valve product size:  PN16/PN20/CLASS150


        DN NPS L H1 H2 W Weight(kg) Torque(N.M)
        RF WE RJ WE RF/RJ
        50 2 178 216 191 99 210 300 22 25 42
        65 2 1/2 191 241 203 110 215 350 30 35 68
        80 3 203 283 216 120 225 400 35 40 92
        100 4 229 305 241 148 255 650 48 95 145
        150 6 394 457 406 218 237 460 190 230 210
        200 8 457 521 470 260 290 600 250 295 625
        250 10 533 559 546 292.5 323.5 600 400 430 835
        300 12 610 635 622 327.5 359.5 750 550 620 1150
        350 14 686 762 699 365 395 750 820 900 1560
        400 16 762 838 775 437.5 436.5 750 1100 1220 2375
        450 18 864 914 876 485 487.5 750 1400 1550 2850
        500 20 914 991 927 522.5 525 750 1750 1950 3580
        550 22 991 1092 1004 575.5 560 750 2200 2350 4275
        600 24 1067 1143 1080 607.5 617.5 750 2800 3050 5650
        650 26 1143 1245 1156 640 632.5 750 2900 3250 6520
        700 28 1245 1346 1286 670 682.5 750 3400 3700 7380
        750 30 1295 1397 1308 710 760 750 4800 5300 8380
        800 32 1372 1524 1385 730 780 750 5500 6000 9370
        850 34 1473 1626 1486 780 830 750 7650 8550 12065
        900 36 1524 1727 1537 830 880 750 8865 9845 14760
        1000 40 1753 1956 1985 875 920 750 12350 13560 18465
        1050 42 1829 2083 2155 910 945 750 13250 14280 29210
        1200 48 2032 2388 2418 1070 1085 750 20500 21800 44500


        Reminder:

        All text, data and pictures in this article are for reference only.To see more details of the Q367F Fixed Worm Wheel Welded Ball Valve performance parameters, structural dimension parameters, pricing, etc., or to request high quality printing samples, please Contact us.

        +86-021-57278881
        qrCode
        <li id="g6waw"><table id="g6waw"></table></li>
        • <samp id="g6waw"></samp>